
The project
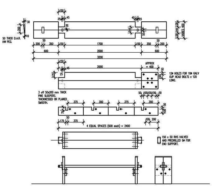
This bench seat using three Pine sleepers (2400 x 200 x 50) took about three hours to build from scratch after putting the sleepers through the thicknesser. I could have made the ends simpler, but I like the look of the wedges. All materials are from Bunnings, and I finished the piece with Bondall Clear Gloss.
Just watch out for a bit of a warp along the seat if the piece will always be outside. I used a couple of concrete blocks to keep mine straight.
Here is the original design:

I updated the design to include a back rest and found it to be a lot more comfortable using four sleepers instead of three.
DWG with backrest.
How to build this bench seat
Since this has been a popular project within the Bunnings Workshop community, resident D.I.Y. expert Mitchell put together the following instructions based on the original plan shared by cadsman.
Materials
Tools
Method
Step one
Take two of the sleepers and cut 400mm off one end. These longer 2000mm sections will be the bench seat and the shorter 400mm sections will be the brace for the legs. Take the third sleeper and cut it into four 600mm lengths. These will be the legs.
Step two
Cut a rebate out of both ends of the 2000mm bench seat sections. The rebate will be 150mm from the end and 125mm wide. This rebated section will fit through the legs.

Step three
Cut a notch out of both ends of the bench seat sections. The notch will be 25mm x 25mm and is 45mm from the end on the rebated section. It can be created by making two parallel saw cuts into the timber. Once the timber is cut using a chisel, remove and clean up the notched section. This notched section will have a peg placed through it to secure the bench to the legs.

Step four
Notch out all four leg pieces. The notch will be 75mm x 50mm and is located 375mm from the bottom of the leg. Drill 10mm holes beneath this notch for attaching the braces.

Step five
Take the two leg halves, placing them together, and place the 400mm brace section directly below the notched out portion of the legs. Drill four holes in the brace, matching the locations of the holes already in the legs. Insert your bolts through the holes and tighten the braces into position.

Step six
Insert the bench section rebates into the notched section of the legs. Take an offcut of timber and create two wedge pieces to lock the bench together. The wedge will need to be 50mm x 25mm and tapered to suit. Since this bench is made from Pine, it is advised to nail in some metal strapping to prevent the wood splitting when hammering in the wedges. If the bench is not completely solid, add some additional timber screws through the joined section to assist.

More furniture projects
Workshop member AndrewJones crafted this bench seat that features mortise and tenon joints using hand tools.
It can be surprisingly easy to create an attractive and functional piece of furniture for your home or outdoor areas. Find ideas for your next D.I.Y. piece in our top 10 most popular indoor and outdoor furniture projects. You can also get great ideas from our Top 10 most popular woodworking projects.