Workshop
Ask a question

The Bunnings Workshop community can help with your home improvement projects.

Compact pot plant stand for new garden at son number 3's house

cadsman
Having an Impact

Compact pot plant stand for new garden at son number 3's house

IMG_20200727_162225.jpg

  

 

 

Walter
Retired Team Member
Retired Team Member

Re: pot plant stand for new garden at son number 3's house

Hey @cadsman , very neat, and efficient use of space.

 

I might have to try something like that myself for my kids, all of whom have smaller backyards.

 

MitchellMc
Bunnings Team Member
Bunnings Team Member

Re: pot plant stand for new garden at son number 3's house

Hi @cadsman,

 

That's a unique design for retaining pots you've built there. Did you come up with that hook system yourself as I'm very impressed with it? Do you think something similar could be utilised on a wall? I'm surprised I haven't seen a manufactured product with a similar pot retaining method like this, you would think they could be pressed out of metal for a fairly low cost.

 

Are there any details on construction that you could share with us?

 

Many thanks for sharing such an interesting project and we very much look forward to seeing what you are working on next.

 

Mitchell

 

See something interesting? Give it the thumbs up!

Re: pot plant stand for new garden at son number 3's house

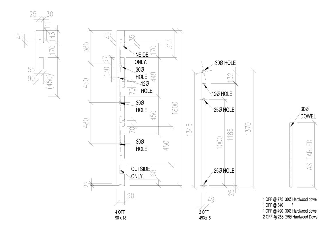
pot stand views.jpg    I saw the timber hook idea for pots on a TV show, cant remember which one, ( a female presenter was using a jigsaw!!) but I re-designed the stand to take a 200mm pot as a minimum. I also put aluminium angles on all horizontal exposed timber edges for longevity.

    It could be used for wall mounting if designed correctly and I reckon that someone will make a metal frame one day and make a squillion dollars from it. But, it won't be me!!     Anyway, here are the details I used and developed.

Cheers, IanK  .cadsman.

POT STAND DETAILSPOT STAND DETAILS

MitchellMc
Bunnings Team Member
Bunnings Team Member

Re: pot plant stand for new garden at son number 3's house

Hi IanK (@cadsman), 

 

Many thanks for the additional information and the detailed plans. I trust our members will find them extremely useful if they decide to make a similar plant stand themselves.

 

Mitchell

 

See something interesting? Give it the thumbs up!

Why join the Bunnings Workshop community?

Workshop is a friendly place to learn, get ideas and find inspiration for your home improvement projects