This bench seat took about 3 hours to build from scratch after putting the sleepers through the thicknesser. Could make the ends simpler, but I like the wedges for looks. All from Bunnings, finished with Bondall clear gloss coat..
Great to see they aren't just for making garden beds like myself.
This is awesome, love the ends! Would be wicked around a fire pit!!
Love everything about these, will have to give them a go. Mixing metel and wood, awesome. I will try to use railway pins as the wedges.
thanks so much for sharing.
Pix
Awesome, many thanks for sharing such detailled plans @cadsman. This has already been a very popular project with our members and visitors to the site.
Looking forward to seeing what you build next!
Jason
well done and congratulations.
Thanks for joining in the discussion @KevinMall. Are you planning on building something similar? Let us know if you need a hand with anything.
Welcome to the community. As I'm sure you've already discovered, we have many amazing members sharing inspiring projects and helpful advice on the site every day. We're looking forward to reading about your own projects and plans.
Please let me know if you ever need assistance getting the most from the site.
I have taken this idea for a bench seat myself using dressed sleepers. The one I plan to make will likely be a different sizing but knowing the timbers used helps me a lot. Just ordered my dressed pine timbers today.
Fantastic, looking forward to seeing what you can create @KevinMall. As previously mentioned, please don't hesitate to post if you need assistance with anything.
Love this thank you for sharing plans. This will work well for our front with our footpath, I didn't think of it until I saw your post 💙
You are most welcome. Just watch out for a bit of a warp along the seat if always outside. I've used a couple of concrete blocks to keep mine straight.
so cool....is there a video for a beginner??
Welcome to the Bunnings Workshop community @fruit10. It's terrific to have you join us and many thanks for your question.
Let me mention @cadsman so they are alerted to you kind feedback and to see if they took a video of the project whilst constructing it. If you had any specific questions I trust cadsman would be more than happy to assist you with them.
We look forward to hearing about your own projects around the house and garden and would encourage you to let us know if you need any assistance or would like to share them with the community. I trust you'll find loads of inspirational projects like this one on the site as our amazing and creative members are contributing their ideas here all the time.
Mitchell
I'd love to give this a go and I'm trying to decipher the plans. Is there a step by step instruction available?
Welcome to the Bunnings Workshop community @Crackles. It's great to have you join us and many thanks for your question.
This is a project contributed by one of our community members @cadsman. I trust if you have any particular questions about the plans then he would be more than happy to answer them for you. I wouldn't imagine he's written himself any step-by-step instructions but I'm sure we can work the steps out for you. Hopefully, @cadsman will get back to us shortly with some additional information or alternatively I will attempt to put together some steps for you.
Oh geez this is great. I love it !!!!!😍
Since this has been such a popular project within the community, I've put together the following instructions based on @cadsman's plan.
Materials:
Tools:
Method:
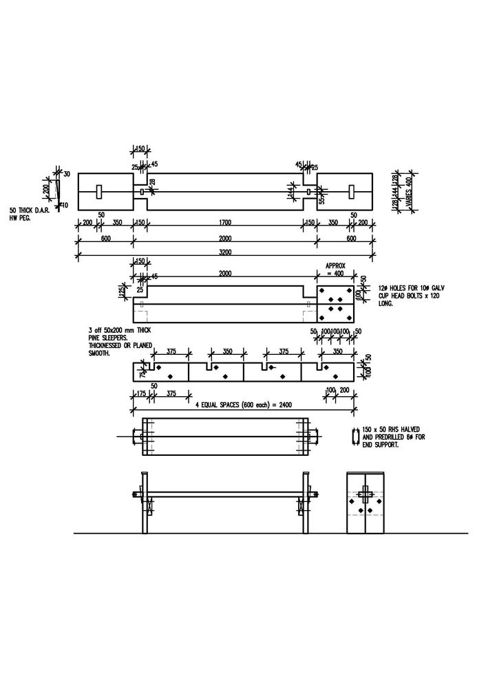
1. Take two of the sleepers and cut 400mm off one end. These longer 2000mm sections will be the bench seat and the shorter 400mm sections will be the brace for the legs. Take the third sleeper and cut it into four 600mm lengths. These will be the legs.
2. You will then cut a rebate out of both ends of the 2000mm bench seat sections. The rebate will be 150mm from the end and 125mm wide. This rebated section will fit through the legs.
3. Next you'll cut a notch out of both ends of the bench seat sections. The notch will be 25mm x 25mm and is 45mm from the end on the rebated section. It can be created but making two parallel saw cuts into the timber. One the timber is cut using a chisel remove and clean up the notched section. This notched section will have a peg placed through it to secure the bench to the legs.
4. You'll need to notch out all four legs pieces now. The notch will be 75mm x 50mm and is located 375mm from the bottom of the leg. You can then drill 10mm holes beneath this notch for attaching the braces.
5. Take the two leg halves placing them together and place the 400mm brace section directly below the notched out portion of the legs. Drill four holes in the brace matching the locations of the holes already in the legs. Insert your bolts through the holes and tighten the braces into position.
6. Insert the bench section rebates into the notched section of the legs. Take an offcut of timber and create two wedge pieces to lock the bench together. The wedge will need to be 50mm x 25mm and tapered to suit. Since this bench is made from pine it is advised to nail in some metal strapping to prevent the wood splitting when hammering in the wedges. If the bench is not completely solid add some additional timber screws through the joined section to assist.
Please let me know if you need further assistance with this project or had any questions.
Very helpful thanks @MitchellMc.
Let me mention some of the Bunnings Workshop community members that were interested in replicating the project so they are alerted to your plans - @Crackles, @fruit10, @May , @mich1972
Thanks again,
New DRAWING with Back Rest. Now 4 Sleepers instead of 3!!!
Found it to be a lot more comfortable!!~!DWG with backrest.
Hi @cadsman,
Many thanks for the updated design including backrest. I'm sure the new version will prove to be even more popular than the original. No doubt you've seen just how popular your project has been with the community as many of our members are excited to build their own.
Great job.
That looks really nifty, I love the design
BUT
No one has mentioned the glaring safety issues with the seat.
If those are your standard H4 pine sleepers, then they're dense with arsenic. Which is fine to border a (non-vegie) garden, but really not so much to sit on and touch. "CCA-treated timber should not be used to build children’s play equipment, patios, domestic decking, handrails, new garden furniture, exterior seating or picnic tables." It's also considered a liability in bushfire-prone areas as the smoke and ash is dangerous. (You know not to use it as firewood, right?) Oiling does not adequately mitigate the risk; opaque paint is generally considered effective if maintained. Arsenic exposure, like with other heavy metals, does not tend to produce acute symptoms such that you realise you've been exposed; rather, if in sufficient amounts, affect wellbeing long-term.
If you have used non-CCA treated sleepers (such as the MicroPro), that's great, although others who wish to follow this project may not know this. At the very least try to use H3 rather than H4 for the surface, reduce young children's exposure to it, don't eat on it, and wash your hands afterwards. Do yourself a favour.
Many thanks for the reminder of the appropriate use for CCA treated sleepers, @grouse. It's great to see you're looking out for the community.
On page two of the discussion, I'd put some instructions together for this project. I've now gone back and edited to the safer option of Ironwood 200 x 50mm 2.4m Sienna Treated Pine Sleepers (CuAz). That way, everyone coming across those instructions will benefit.
Although @cadsman hasn't mentioned the treatment was used on the sleepers in their project, it is always best to choose the safer options like copper quaternary (ACQ), copper azole (CuAz) and Light Organic Solvent Preservatives (LOSP) over copper-chromium-arsenate (CCA) treatments for projects like these.
Thanks again, and we appreciate your input.